
一、用途:
工矿企业中的汽轮机、风机、磨煤机、水泵及舰船动力方面等大中型机械设备的润滑油均离不开油冷却器。本公司在吸取同类产品优点的基础上,针对换热管对油侧层流的扰动方面作了大量的实验,最终成功研制出最新型管式冷油器
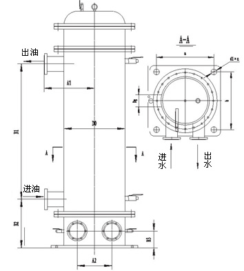
二、产品结构与工作原理:
管式冷油器流动特点仍为油经壳程,水经管程。管外油侧传热系数为管内传热系数的1/10-1/20,热阻主要在油侧。本设备将传统的弓形隔板改为旋流导板,主要原理为:冷却油经冷油器壳程,随旋流导板导向旋转前行,油在旋转同时沿管周方向冲刷,管的结构参数是经多次对比试验进行优选的结果,性能优良,使用安全可*,为汽轮机组理想的辅机配套产品
三.产品特点:
管式冷油器与其他型式冷油器相比有如下优点:
1、传热效率高是板式冷油器的2-3倍
2、结构紧凑,其紧凑度为板式换热器1-2倍
3、油阻?。阂虿捎眯鞯及?,油进入为切向流动,有利于流体运行
4、使用寿命长,安装检测方便:换热管热膨胀应力小,故不存在常见的换热胀劣,泄漏问题。因其仍为管壳式结构,安装检修方便。
四、产品选型
1、产品使用对象
本产品系列系为火电厂凝汽式汽轮机及各种供热式汽轮机的专门设计,也可用于工矿企业动力机械的锅炉给水泵、磨煤机、送吸风机等的润滑、动力用油的冷却之用。
2、产品型号模式
3、选型须知
国内外汽轮机厂家所设计的汽轮机型式繁多,本公司在广泛收集资料及计算机的基础上汇总了各式汽轮机冷油器订货选型方案,如表所示。用户如有特殊使用要求请与本公司联系
五、冷油器的安装:
1、安装前的准备工作:
冷油器出厂前经0.6mpa的水压试验。但在安装前应按照《电力建设施工及验收技术规范》(汽轮机篇)的规定条文:“冷油器侧应进行工作压力1.5倍的水压试验,保持5分钟无渗漏,如作风压试验,其压力应为工作压力”进行。
2、冷油器安装:
(1) 冷油器支撑在事先准备好的支架上,并能可*满足其动、静载荷需求
(2) 因支撑物弓形隔板改为旋流导板,故冷油器进油方向为顺转方向,切勿装反。